

63,60
- Ruim 40 jaar ervaring in scheepstechniek!
- Eenvoudig besteld, snel geleverd!
- Online retourneren: snel & eenvoudig!




Serie MEDIUM heeft 1 versnelling is voorzien van een vrijloopstand en een ratelstand in beide richtingen. Optioneel kan hier een tandwiel beschermkap voor besteld worden.
| Model | Overbrenging | Trekkracht | Trommel Capaciteit |
| Trailerlier WT 73-12 | 4:1 | 545 | 15m staaldraad; Ø 5mm |
| Trailerlier WT 73-14 | 4:1 | 636 | 15m staaldraad; Ø 5mm |
| Trailerlier WT 73-18 | 5:1 | 815 | 20m staaldraad; Ø 5mm |
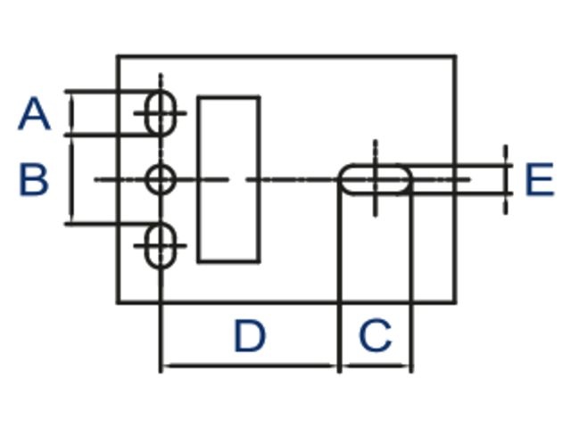
Maatvoeringen bij de detail tekening (zie foto's):
A = 16mm
B = 32mm
C = 26mm
D = 65mm
E = 10mm
Toon meer
Toon minder

