Menu
  • Incl.Excl.
    BTW
  • 0
    Sluiten

    Categorieën

    Filters

      Wij helpen je goed uitgerust het water op!

      Neem gerust contact op met een van onze specialisten via 0418-514018!

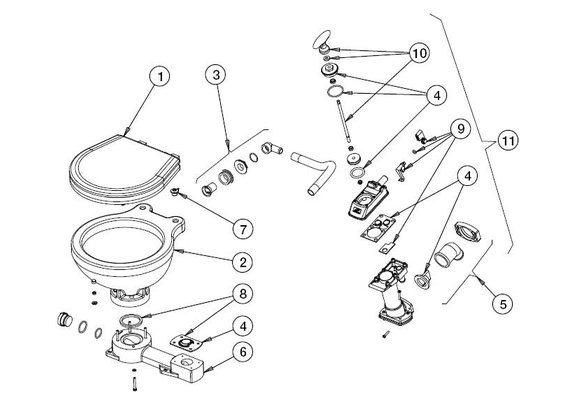
      Allpa (Johnson) toilet onderdelen

      Een toilet bestaat uit veel losse onderdelen. Wanneer een van deze onderdelen vervang moet worden kan het best lastig zijn om de juiste aankoop te doen. Speciaal daarvoor hebben wij deze pagina. In onderstaande tekening staat precies welk onderdeel zich waar bevindt en wat de naam is. 

      Bovendien kun je via het overzicht direct naar d... Toon meer

      Merken

      Prijs

      -
      64 Producten

      Allpa (Johnson) toilet onderdelen

      Een toilet bestaat uit veel losse onderdelen. Wanneer een van deze onderdelen vervang moet worden kan het best lastig zijn om de juiste aankoop te doen. Speciaal daarvoor hebben wij deze pagina. In onderstaande tekening staat precies welk onderdeel zich waar bevindt en wat de naam is. 

      Bovendien kun je via het overzicht direct naar de juist product pagina om je aankoop te doen!

      Kies hieronder jouw toilet:

      Johnson AquaT Handpomp + Allpa Space Saver Handpomp Toilet >
      Johnson AquaT Standard Electric Toilet + allpa Space Saver Electrisch Toilet >
      Johnson AquaT Silent-Electric & Silent Premium-Electric Toilet >
      Allpa Laguna Standaard Elektrisch & Elegant Toilet >
      Allpa Laguna Hydri-Vacuum Electrisch Toilet >

       

      Johnson AquaT Handpomp + Allpa Space Saver Handpomp Toilet

       

      Nr

      Artikelcode

      Naam

       1

       66814724101

      (1) Johnson Pump Soft-Close bril en deksel voor scheepstoilet Johnson compact model

       1

       66814724102

      (1) Johnson Pump Soft-Close Bril en deksel voor scheepstoilet Johnson Comfort model

       2 

       66814724501

      (2) Johnson Pump Toiletpot voor scheepstoilet Johnson compact model

       2

       66814724502

      (2) Johnson Pump Toiletpot voor scheepstoilet Johnson comfort model

       3 

       187020

      (3) allpa Inlaatknie 90° rechts

       3

       187020/L

      (3) allpa Inlaatknie 90° links

       4

       66814724201

      (4) Johnson Pump Reparatieset voor scheepstoilet Johnson compact model

       5

       66814724602

      (5) Johnson Pump Uitlaatknie met klep voor scheepstoilet Johnson compact model

       6

       66814724301

      (6) Johnson Pump Plastic voetstuk met pakkingring voor scheepstoilet Johnson compact model

       7

       66814726701

      (7) Johnson Pump Scharnier Set

       8

       66814726801

      (8) Johnson Pump Voetpakking Set

       9

       66814726901

      (9) Johnson Pump Spoelhandel Set

       10

       66814724401

      (10) Johnson Pump Plastic handle voor scheepstoilet Johnson compact model

       11

       66814723901

      (11) Johnson Pump Handpomp voor scheepstoilet Johnson

       

       259119

      (-) Johnson Pump Aftapplug Toiletvoet

       

       259121

      (-) allpa Soft-Close Bril / Deksel Laguna

       

       259087

      (-) Johnson Pump Space Saver Porseleine Pot

      12

       66814745301

      (12) Johnson Pump lipseal

       

       187021

      (-) Losse eendenbek voor AquaT Handpomp Toilet + allpa Space Saver Handpomp Toilet

       

      Johnson AquaT Standard Electric Toilet + allpa Space Saver Electrisch Toilet

       

      Nr

      Artikelcode

      Naam

       1

       66814724101

       (1) Johnson Pump Soft-Close bril en deksel voor scheepstoilet Johnson compact model

       1

       66814724102

       (1) Johnson Pump Soft-Close Bril en deksel voor scheepstoilet Johnson Comfort model

       2 

       66814724501

       (2) Johnson Pump Toiletpot voor scheepstoilet Johnson compact model

       2

       66814724502

       (2) Johnson Pump Toiletpot voor scheepstoilet Johnson comfort model

       3 

       66814724601

       (3) Johnson Pump Inlaatknie met seal voor scheepstoilet Johnson compact model

       4

       66814744601

       (4) Johnson Pump Kunststof Voet Set

       5

       66814744701

       (5) Johnson Pump Hakselaar Set

       6

       66814744801

       (6) Johnson Pump Pomphuis Groep

       7

       66814744901

       (7) Johnson Pump Motorgroep 12V

       7

       66814744902

       (7) Johnson Pump Motorgroep 24V

       8

       66814745001

       (8) Johnson Pump Pompflens

       9

       66814745101

       (9) Johnson Pump Complete Pakkingset

       10

       66814745201

       (10) Johnson Pump Uitlaatknie

       

       187014

       (10) Afvoertule Kunststof  90° voor elektr.Toilet

      11

       6609847B

       (11) Johnson Pump Impeller

      12

       66814745301

       (12) Johnson Pump lipseal

      13

       66814744301

       (13) Johnson Pump Motorkap

      14

       66814744201

       (14) Johnson Pump Conversiekit  12V  Standard Electric

      14

       66814744202

       (14) Johnson Pump Conversiekit  24V  Standard Electric

       

       259087

       (-) Johnson Pump Space Saver Porseleine Pot

       

       259121

       (-) allpa Soft-Close Bril / Deksel Laguna

      15

       187007

       (15) Losse 3-hoekklep voor Johnson AquaT Standard Electric Toilet & allpa Space  Saver Elektrisch Toilet



      Johnson AquaT Silent-Electric & Silent Premium-Electric Toilet

      Nr

      Artikelcode

      Naam

       1

      66814724101

      (1) Johnson Pump Soft-Close bril en deksel voor scheepstoilet Johnson compact model

       1

      66814724102

      (1) Johnson Pump Soft-Close Bril en deksel voor scheepstoilet Johnson Comfort model

       2 

      66814724501

      (2) Johnson Pump Toiletpot voor scheepstoilet Johnson compact model

       2

      66814724502

      (2) Johnson Pump Toiletpot voor scheepstoilet Johnson comfort model

       3 

      66814727301

      (3) Johnson Pump Uitlaatknie Ø38-90° met terugslagklep voor scheepstoilet Johnson Aqua-T Silent-E & Silent Premium-E

       

      66814724503

      (-) Johnson Pump Toiletpot voor scheepstoilet Johnson premium laag-model

       

      66814724504

      (-) Johnson Pump Toiletpot voor scheepstoilet Johnson premium laag/schuin-model

       

      66814724505

      (-) Johnson Pump Toiletpot voor scheepstoilet Johnson premium standaard-model

       

      66814724506

      (-) Johnson Pump Toiletpot voor scheepstoilet Johnson premium standaard/schuin-model

      4

       

       

      5

      66814727401

      (5) Johnson Pump voetpakking

      6

      66814726701

      Johnson Pump scharnier set

      7

      66814724701

      Johnson Pump Motorbasis (voet) voor scheepstoilet Johnson premium model

      8

      66814724801

      Johnson Pump motor 12V voor scheepstoilet Johnson premium model

       

      66814724802

      Johnson Pump motor 24V voor scheepstoilet Johnson premium model

      9

      66102467701

      Johnson Pump spoelpomp 2.4  12V voor scheepstoilet (10-13399-05)

       

      66102467702

      Johnson Pump spoelpomp 2.4  24V voor scheepstoilet (10-13399-06)

      10

      66813610501

      Johnson Pump bedieningspaneel voor scheepstoilet 12V & 24V

       

      66814745101

      Johnson Pump complete pakkingset

      11

      66814724001

      Johnson Pump Conversiekit 12V  voor Scheepstoilet  Voet  90º Bocht  Motor & Hakselaar

       

      66814724002

      Johnson Pump Conversiekit 24V  voor Scheepstoilet  Voet  90º Bocht  Motor & Hakselaar

      12

      66814750401

      Johnson Pump glijringafdichting motoras Silent Electric & Silent Premium Electiric toilet

      13

      668147519

      Johnson Pump versnijder impeller met borgring

       

      259121

      (-) allpa Soft-Close Bril / Deksel Laguna

       

      259122

      Johnson Pump soft-close bril/deksel voor silent-electric comfort

       

      259123

      Johnson Pump soft-close bril/deksel voor silent-premium comfort

       

       

      Allpa Laguna Standaard Elektrisch & Elegant Toilet

      Nr

      Artikelcode

      Naam

      1, 2

      259130

      allpa pomphuis  versnijder-impeller  

      3, 4

       

      glijringafdichting

      5, 7

       

      Pakking, schroeven

      6

      259138

      allpa Motor 12V

       

      259139

      allpa Motor 24V

      8, 9

      259135

      allpa Seal, Lipseal  

      10, 11

       

      Pomphuis, Slijtplaat  

      12, 13

       

      Flexibele impeller, O-ring 

      14, 15

       

      Pompdeksel, Schroeven

      16, 17

      259137
      (16 t/m 18)

      Slang, Slangklem

      18

       

      Slang

      19, 20

      259134
      (19 t/m 22)

      Aansluiting, Terugslagklep

      21, 22

       

      Knie, Moer

       

      259150

      allpa Porseleine pot laguna

       

      259100

       

       

      259121

      (-) allpa Soft-Close Bril / Deksel Laguna

       

      259092

      (-) allpa Schakelpaneel voor elektrisch toilet  12V & 24V  max. 20A

       

      259155

      (-) Kit 12V voor Laguna Toilet

       

      259156

      (-) Kit 24V voor Laguna Toilet

       

       

      Allpa Laguna Hydri-Vacuum Electrisch Toilet

      Nr

      Artikelcode

      Naam

      1, 2

      259130

      allpa pomphuis  versnijder-impeller  

      3, 4

      259150

      glijringafdichting

      5, 7

      259100

      Pakking, schroeven

      6

      259148

      allpa Motor 12V

       

      259149

      allpa Motor 24V

       

      259229

      allpa Spoelpomp 12V

       

      259230

      allpa Spoelpomp 24V

       

      259231

      allpa Elektrische klep  12V voor elektrische scheepstoiletten met gescheiden pompsysteem

       

      259232

      allpa Elektrische klep  24V voor elektrische scheepstoiletten met gescheiden pompsysteem

      8, 11

      259237

      Slangen

      9, 10, 12

       

      Slangklemmen

      13, 14

      259140

      Aansluiting, terugslagklep

      15, 16

       

      Knie, Moer

       

      259150

      allpa Porseleine pot laguna

       

      259100

      allpa Houten Bril met deksel  voor hand- & e-toilet normale pot  Laguna

       

      259121

      Johnson Pump space saver kunststof soft-close bril/deksel

       

      259097

      allpa Schakelpaneel voor hydro-vacuum elektrisch toilet  12V & 24V  max. 20A