

51,10
- Ruim 40 jaar ervaring in scheepstechniek!
- Eenvoudig besteld, snel geleverd!
- Online retourneren: snel & eenvoudig!




Serie POPULAIR heeft 1 versnelling, is voorzien van een vrijloopstand en een ratelstand in 1 richting. Optioneel kan hier een tandwiel beschermkap voor besteld worden.
| Model | Overbrenging | Trekkracht | Trommel Capaciteit |
| Trailerlier WT 73-06 | 3:1 | 270 | 6m staaldraad; Ø 5mm |
| Trailerlier WT 73-08 | 3:1 | 380 | 6m staaldraad; Ø 5mm |
| Trailerlier WT 73-10 | 4:1 | 450 | 8m staaldraad; Ø 5mm |
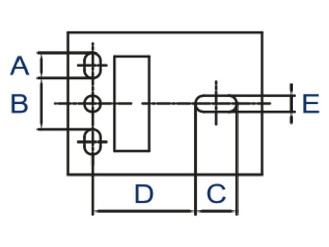
Maatvoeringen bij de detail tekening (zie foto's):
A = 16mm
B = 32mm
C = 26mm
D = 65mm
E = 10mm
Toon meer
Toon minder

