

98,60
- Ruim 40 jaar ervaring in scheepstechniek!
- Eenvoudig besteld, snel geleverd!
- Online retourneren: snel & eenvoudig!




Serie HEAVy DUTY heeft 2 versnellingen is voorzien van een vrijloopstand en een ratelstand in beide richtingen. Optioneel kan hier een tandwiel beschermkap voor besteld worden. De WT75-25 is voorzoen van handremsysteem.
| Model | Overbrenging | Trekkracht | Trommel Capaciteit |
| Trailerlier WT 75-20 | 4:1 / 10:1 | 900 | 15m staaldraad; Ø 6mm |
| Trailerlier WT 75-25 | 5:1 / 12:1 | 1100 | 25m staaldraad; Ø 6mm |
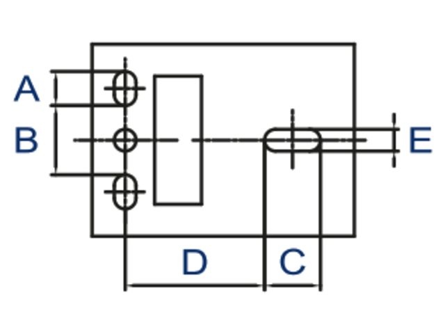
Maatvoeringen bij de detail tekening (zie foto's):
A = 24mm
B = 44mm
C = 46mm
D = 83mm
E = 10mm
Toon meer
Toon minder

